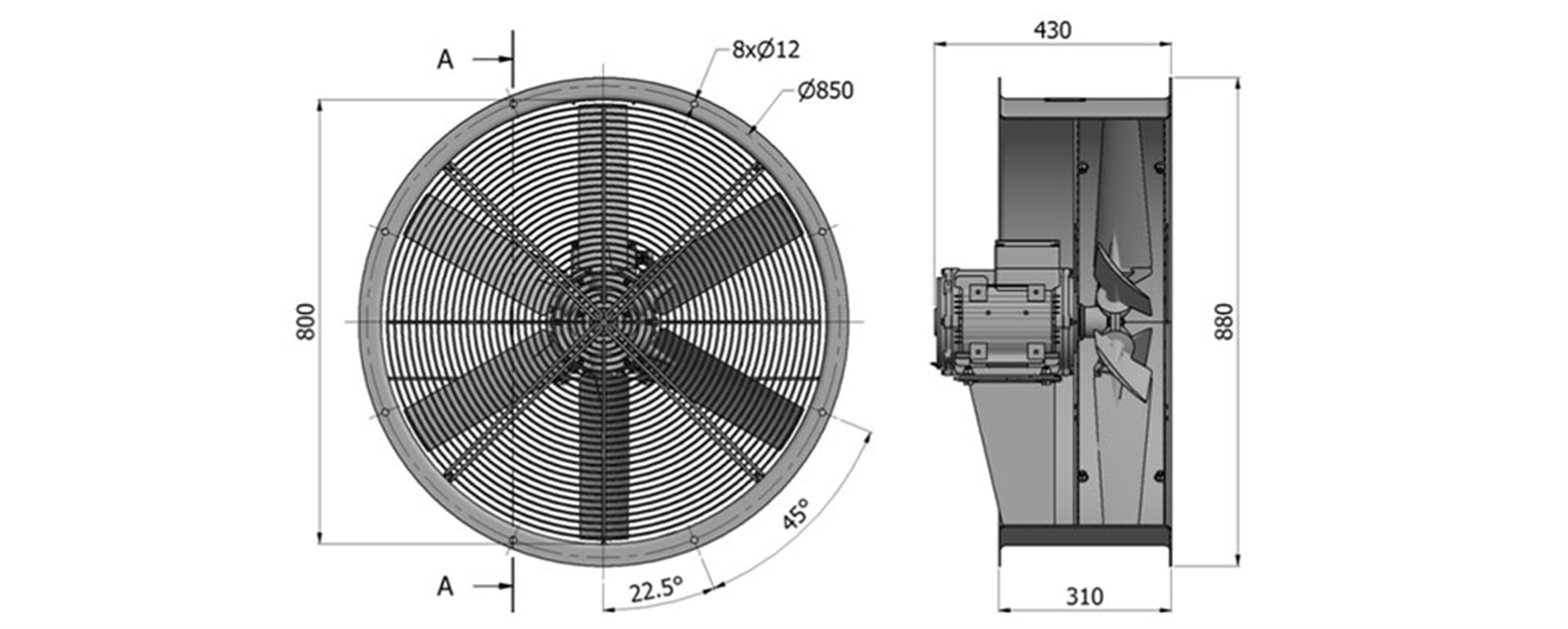
A80C-S 1

A80C-S

Hava akışı ve ses basınç seviyesi (SPL), giriş ve çıkış koruma ızgaraları ile serbest üfleme çalışması için verilmiştir. 1 m'deki SPL değerleri fanın yanından ölçülmüştür. 2 m'deki SPL değerleri ters kare yasası ile hesaplanmıştır. Beyan edilen değerler talep edilen seçeneklere ve yapılandırmalara göre değişebilir.

Termal korumanın çalışması için harici bir kontrol ünitesi veya röle gerekir.

Motor, -25°C'nin altındaki ortam ve tropikal ortamlar için gömülü bir alan ısıtıcısı ile donatılmalıdır.

E-bültene Kaydol

Please place your phone in an upright position.